HYDRAULIC SOLENOID VALVES
DSG-N-01
&
DSG-N-03
GERMAN DIN STANDARD 43650 PLUGS SOLENOID VALVES
TERMINAL TYPE
DSHG-04 / 06 / 10
ORDER CODE
PRESSURE DROP
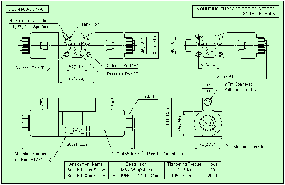
DIMENSION:
DSG-N-01 & DSG-N-03
DSG-01 & DSG-03
DSHG-04
DSHG-06
DSHG-010